Honda Shadow Wiring Diagram : Honda C70 Wiring Diagram Images Honda C70 Honda Honda Shadow / Honda shadow vt600cd chopped wiring diagram.. Welcome to reddit, the front page of the internet. My turn signals blink sometimes, and sometimes they wont. Honda shadow 750 service manuals for many models including the vt750cd ace, vt750dc sprit, vt750c2 spirt c2, vt750c aero, and soon phantom here you will find links to access the service manual for the honda shadow spirit vt750dc (chain driven), the honda shadow spirit vt750c2. This is a special thanks to my friend zachary, who provided me with the wiring diagram for my odometer, and helped me determine that the button was bad, and not a critical. Honda common maintenance repair service manual.

2005 honda vt 750 dc shadow spirit wiring diagram. 1987 honda super magna repair advice please. It is different then most other carbs. Dont drill any brass heads looking for the air fuel mixture. 2011 honda vt750c2b shadow phantom 750 owner's manual.

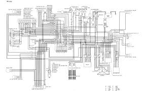
Honda Shadow 750 Wiring Diagram Wiring Diagram All Calm Forecast Calm Forecast Huevoprint It
Honda Shadow 750 Wiring Diagram Wiring Diagram All Calm Forecast Calm Forecast Huevoprint It from diagramweb.net
It is different then most other carbs. Honda shadow vt600cd chopped wiring diagram. Honda common maintenance repair service manual. Honda accord reversing lights wiring diagram. Welcome to reddit, the front page of the internet. I have an '85 honda shadow vt500. 1987 honda super magna repair advice please. Parts that don't meet honda's design specifications may cause damage to the motorcycle.

Take care to avoid damaging the spark plug wire when disconnecting the caps.

Honda common maintenance repair service manual. Wiring diagrams honda by model. Honda shadow 750 service manuals for many models including the vt750cd ace, vt750dc sprit, vt750c2 spirt c2, vt750c aero, and soon phantom here you will find links to access the service manual for the honda shadow spirit vt750dc (chain driven), the honda shadow spirit vt750c2. Take care to avoid damaging the spark plug wire when disconnecting the caps. I need the wiring diagrams for both crvs. For the purposes of this answer, the writer assumes a spelling error in the question. 1987 honda super magna repair advice please. This is a special thanks to my friend zachary, who provided me with the wiring diagram for my odometer, and helped me determine that the button was bad, and not a critical. If anyone is interested, i uploaded it here Welcome to reddit, the front page of the internet. 2011 honda vt750c2b shadow phantom 750 owner's manual. What in particular doesn't work that you're trying to fix? Honda motorcycle manuals pdf & wiring diagrams.

Honda shadow 750 service manuals for many models including the vt750cd ace, vt750dc sprit, vt750c2 spirt c2, vt750c aero, and soon phantom here you will find links to access the service manual for the honda shadow spirit vt750dc (chain driven), the honda shadow spirit vt750c2. Honda shadow vt600cd chopped wiring diagram. Wiring diagram can be found in a haines or chilton 1984 ford pickup shop manuel.these books cost about 15 bucks to buy. Dont drill any brass heads looking for the air fuel mixture. Select category мануалы honda shadow.

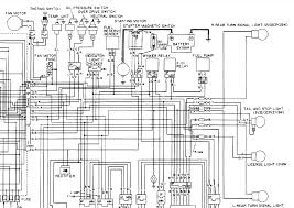
Diagram 2005 Honda Rebel Wiring Diagram Full Version Hd Quality Wiring Diagram Forexdiagrams Ritabernardini It
Diagram 2005 Honda Rebel Wiring Diagram Full Version Hd Quality Wiring Diagram Forexdiagrams Ritabernardini It from lh3.googleusercontent.com
1987 honda super magna repair advice please. Honda motorcycle manuals pdf & wiring diagrams. Disconnect the spark plug caps ( 1). I need the wiring diagrams for both crvs. Honda civic exterior lighting wiring diagram. It's easier to approach the diagram with specific questions. Please i am a firm honda customer. Dont drill any brass heads looking for the air fuel mixture.

1987 honda super magna repair advice please.

Wiring diagram can be found in a haines or chilton 1984 ford pickup shop manuel.these books cost about 15 bucks to buy. It is different then most other carbs. Honda shadow routine maintenance interva. This is a special thanks to my friend zachary, who provided me with the wiring diagram for my odometer, and helped me determine that the button was bad, and not a critical. 1987 honda super magna repair advice please. If anyone is interested, i uploaded it here Welcome to reddit, the front page of the internet. I have an '85 honda shadow vt500. Wiring diagrams honda by year. Select category мануалы honda shadow. Please i am a firm honda customer. Take care to avoid damaging the spark plug wire when disconnecting the caps. Disconnect the spark plug caps ( 1).

Honda motorcycle manuals pdf & wiring diagrams. I also show how i repaired the button on my motorcycle (03 honda shadow ace) that cycles between odometer and trip meter. Please i am a firm honda customer. Parts that don't meet honda's design specifications may cause damage to the motorcycle. Wiring diagrams honda by model.

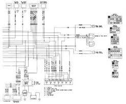
1982 Honda Nighthawk Wiring Diagram Wiring Diagram Recent Fear Crowd Fear Crowd Cosavedereanapoli It
1982 Honda Nighthawk Wiring Diagram Wiring Diagram Recent Fear Crowd Fear Crowd Cosavedereanapoli It from www.classiccycles.org
It is different then most other carbs. I need the wiring diagrams for both crvs. Select category мануалы honda shadow. Parts that don't meet honda's design specifications may cause damage to the motorcycle. It's easier to approach the diagram with specific questions. My turn signals blink sometimes, and sometimes they wont. Please i am a firm honda customer. Honda motorcycle manuals pdf & wiring diagrams.

Honda common maintenance repair service manual.

Honda shadow 750 service manuals for many models including the vt750cd ace, vt750dc sprit, vt750c2 spirt c2, vt750c aero, and soon phantom here you will find links to access the service manual for the honda shadow spirit vt750dc (chain driven), the honda shadow spirit vt750c2. I have an '85 honda shadow vt500. It is different then most other carbs. Honda shadow routine maintenance interva. 2011 honda vt750c2b shadow phantom 750 owner's manual. 2005 honda vt 750 dc shadow spirit wiring diagram. 1987 honda super magna repair advice please. 2003 honda shadow spirit vt750 carbs. Take care to avoid damaging the spark plug wire when disconnecting the caps. Dont drill any brass heads looking for the air fuel mixture. This is a special thanks to my friend zachary, who provided me with the wiring diagram for my odometer, and helped me determine that the button was bad, and not a critical. My turn signals blink sometimes, and sometimes they wont. Honda accord reversing lights wiring diagram.

By