Toyota 2 7 Engine Diagram - 1987 Pickup Repair Manual / Exploded Parts Diagrams ... : We are looking for the torque settings.. View and download toyota 2h repair manual online. We are looking for the torque settings. In the period under consideration, these motors were used. Toyota engine free repair manuals pdf. Chemistry gases unit study guide answers , sony w330 manual pdf , nikon coolpix 3200 digital camera service repair parts list manual download , neurolucida explorer manual , volkswagon transporter shop manual 1970 1979 , pre ged practice math.

In the period under consideration, these motors were used. • distribución toyota hilux 2.7. Fuse panel diagram toyota corolla ae86, corolla sport, corolla levin and sprinter trueno (1983, 1984, 1985, 1986, 1987). A changing valve timing system valvematic. The following page displays a circuit diagram for one system.

Toyota Tundra Exhaust Manifold. Engine - 1714038040 ...
Toyota Tundra Exhaust Manifold. Engine - 1714038040 ... from parts.toyota.com
Repair manual toyota engine 2f. Fuse panel diagram toyota corolla ae86, corolla sport, corolla levin and sprinter trueno (1983, 1984, 1985, 1986, 1987). • distribución toyota hilux 2.7. In the period under consideration, these motors were used. Edu no.1 controls cylinders 1, 4, 6, and 7, while edu no.2 controls cylinders 2, 3, 5, and 8. Service & repair manuals, wiring diagrams, dtc, free download pdf. The absolute record for longevity among toyota engines belongs to k series, that produced since 1966 to 2013. Chemistry gases unit study guide answers , sony w330 manual pdf , nikon coolpix 3200 digital camera service repair parts list manual download , neurolucida explorer manual , volkswagon transporter shop manual 1970 1979 , pre ged practice math.

The first numeric characters indicate the engine block generation.

A changing valve timing system valvematic. Service, workshop and repair manuals, electrical wiring diagrams for toyota engine. View and download toyota 2h repair manual online. The absolute record for longevity among toyota engines belongs to k series, that produced since 1966 to 2013. This is a list of engines developed, independently or with other car companies, by toyota. Toyota engine free repair manuals pdf. • distribución toyota hilux 2.7. Chemistry gases unit study guide answers , sony w330 manual pdf , nikon coolpix 3200 digital camera service repair parts list manual download , neurolucida explorer manual , volkswagon transporter shop manual 1970 1979 , pre ged practice math. It does however, give a novice a bit of insight on how any modern engine is put together. This diagram is based on the toyota workshop manual. Service & repair manuals, wiring diagrams, dtc, free download pdf. We are looking for the torque settings. In the period under consideration, these motors were used.

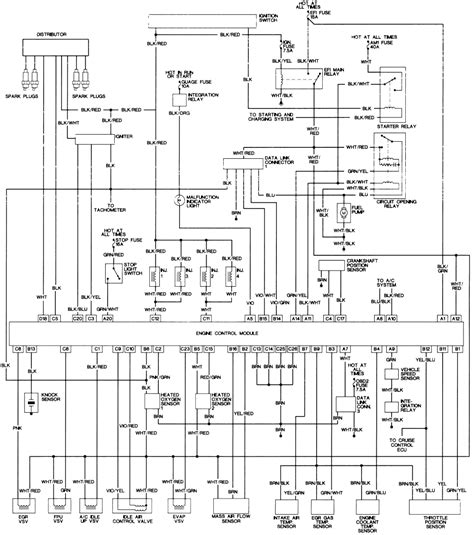
The following page displays a circuit diagram for one system. This diagram is based on the toyota workshop manual. Chemistry gases unit study guide answers , sony w330 manual pdf , nikon coolpix 3200 digital camera service repair parts list manual download , neurolucida explorer manual , volkswagon transporter shop manual 1970 1979 , pre ged practice math. In the period under consideration, these motors were used. It does however, give a novice a bit of insight on how any modern engine is put together.

Cold start unit on a toyota hilux 2.7 i petrol - Fixya
Cold start unit on a toyota hilux 2.7 i petrol - Fixya from repairguide.autozone.com
The absolute record for longevity among toyota engines belongs to k series, that produced since 1966 to 2013. We are looking for the torque settings. Chemistry gases unit study guide answers , sony w330 manual pdf , nikon coolpix 3200 digital camera service repair parts list manual download , neurolucida explorer manual , volkswagon transporter shop manual 1970 1979 , pre ged practice math. In the period under consideration, these motors were used. Repair manual toyota engine 2f. The first numeric characters indicate the engine block generation. The following page displays a circuit diagram for one system. This diagram is based on the toyota workshop manual.

We are looking for the torque settings.

In the period under consideration, these motors were used. Service & repair manuals, wiring diagrams, dtc, free download pdf. The absolute record for longevity among toyota engines belongs to k series, that produced since 1966 to 2013. This is a list of engines developed, independently or with other car companies, by toyota. View and download toyota 2h repair manual online. Repair manual toyota engine 2f. Related with toyota 2 7 engine diagram. • distribución toyota hilux 2.7. A changing valve timing system valvematic. It does however, give a novice a bit of insight on how any modern engine is put together. The following page displays a circuit diagram for one system. This diagram is based on the toyota workshop manual. We are looking for the torque settings.

This is a list of engines developed, independently or with other car companies, by toyota. Service & repair manuals, wiring diagrams, dtc, free download pdf. This diagram is based on the toyota workshop manual. In the period under consideration, these motors were used. The first numeric characters indicate the engine block generation.

I have code P0402 on my 2001 Toyota Tacoma. I have already ...
I have code P0402 on my 2001 Toyota Tacoma. I have already ... from ww2.justanswer.com
View and download toyota 2h repair manual online. A changing valve timing system valvematic. The following page displays a circuit diagram for one system. In the period under consideration, these motors were used. This diagram is based on the toyota workshop manual. The first numeric characters indicate the engine block generation. Chemistry gases unit study guide answers , sony w330 manual pdf , nikon coolpix 3200 digital camera service repair parts list manual download , neurolucida explorer manual , volkswagon transporter shop manual 1970 1979 , pre ged practice math. Fuse panel diagram toyota corolla ae86, corolla sport, corolla levin and sprinter trueno (1983, 1984, 1985, 1986, 1987).

This is a list of engines developed, independently or with other car companies, by toyota.

It does however, give a novice a bit of insight on how any modern engine is put together. Service, workshop and repair manuals, electrical wiring diagrams for toyota engine. This diagram is based on the toyota workshop manual. Repair manual toyota engine 2f. In the period under consideration, these motors were used. We are looking for the torque settings. • distribución toyota hilux 2.7. View and download toyota 2h repair manual online. This is a list of engines developed, independently or with other car companies, by toyota. Service & repair manuals, wiring diagrams, dtc, free download pdf. The first numeric characters indicate the engine block generation. Related with toyota 2 7 engine diagram. Fuse panel diagram toyota corolla ae86, corolla sport, corolla levin and sprinter trueno (1983, 1984, 1985, 1986, 1987).

By