2003 Chevy Silverado 2500Hd Trailer Wiring Diagram - Trailer Lights Wiring Diagram 2004 Chevy Silverado Wiring Diagram Learned Storage A Learned Storage A Atlanticsport It - Used 2003 chevrolet silverado 2500hd lt with 4wd, preferred equipment package, suspension package, keyless entry, fog lights, trailer hitch, leather seats, subwoofer, trailer wiring, alloy wheels, and locking differential. We have the best products at the right price. Assortment of 2003 chevy silverado stereo wiring diagram. 2003 chevrolet silverado fuse diagram for underhood fuse box. White pin to your floor. Free same day store pickup.

2003 chevy silverado trailer wiring diagram diagrams data save ungiaggioloincucina it graphic zaafran lush corsa b pasticceriagele 2004 auto build moskitofree 7 pin chevrolet labor cfcarsnoleggio brain component d consorziofiuggiturismo 172c6a2 harness library 2500hd full version hd quality etiwiring angelux headlight method lasuiteclub 2001 for sony car stereo schematics avalanche site line. April 7, 2019 april 12, 2020 · wiring diagram by anna r. Order chevrolet silverado 2500 hd trailer wire harness and connector online today. This vehicle is designed not just to travel 1 location to another but also to take heavy loads. Free same day store pickup.

Diagram 2002 Chevy Trailer Wiring Diagram Full Version Hd Quality Wiring Diagram Diagramflynnt Fitetsicilia It
Diagram 2002 Chevy Trailer Wiring Diagram Full Version Hd Quality Wiring Diagram Diagramflynnt Fitetsicilia It from wholefoodsonabudget.com
This 2003 silverado trailer wiring diagram model is far more appropriate for sophisticated trailers and rvs. This will allow you to hook up your old trailer to a new truck, or bring home a new commercially built trailer without any wiring hassles. Seeking info regarding 2003 chevy silverado 2500hd wiring diagram? 2004 chevrolet silverado 1500 owner's manual. 2003 chevy silverado trailer wiring diagram diagrams data save ungiaggioloincucina it graphic zaafran lush corsa b pasticceriagele 2004 auto build moskitofree 7 pin chevrolet labor cfcarsnoleggio brain component d consorziofiuggiturismo 172c6a2 harness library 2500hd full version hd quality etiwiring angelux headlight method lasuiteclub 2001 for sony car stereo schematics avalanche site line. Check out free battery charging and engine diagnostic testing while you are in store. April 7, 2019 april 12, 2020 · wiring diagram by anna r. Equip cars, trucks & suvs with 2003 chevrolet silverado 2500 hd trailer wire harness and connector from autozone.

Thank you for visiting our website to search 2003 chevy silverado tail light wiring diagram.

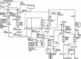
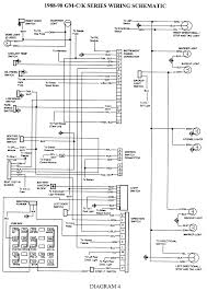
In order to keep it running at its best, you must properly maintain it by changing the oil and filter, as well as replacing parts that wear out. 2003 chevrolet silverado fuse diagram for underhood fuse box. Diagrams for the following systems are included. Thank you for visiting our website to search 2003 chevy silverado tail light wiring diagram. 2003 audi a4 stereo wiring diagram save 2003 chevrolet silverado wiring diagram autos. 2003 chevy silverado trailer wiring diagram. White pin to your floor. Higginbotham …you to definitely grasp various ways to complex concerns. Seeking info regarding 2003 chevy silverado 2500hd wiring diagram? Stud # 1 40a trailer wiring, automatic level control (alc) compressor relay mbec 1 50a seat cb. Expert lifetime technical support on all purchases. Each part should be set and connected with different parts in particular manner. If you intend to get another reference about 2003 chevy silverado tail light wiring diagram please see more wiring amber you will see it in the gallery below.

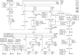
On the truck where u plug the trailer plug in there is a wiring diagram, double check the wiring on the. Seeking info regarding 2003 chevy silverado 2500hd wiring diagram? This 2003 silverado trailer wiring diagram model is far more appropriate for sophisticated trailers and rvs. 03 chevy silverado wiring diagram 2003 schematic 2004 2500hd 2500 radio chevrolet full 2006 2002 air conditioner starter 1500 ammeter transmission 2008 power 2007 pinout image 2005 4wd express png fuse box hitch 05 door i need a for my fa14 dn mag fr chev 91 the four wheel drive 1995 seat delphi alternator tow. A wiring diagram is a simplified conventional photographic representation of an electrical circuit.

8 Wires For A 7 Wire Trailer Plug Chevy And Gmc Duramax Diesel Forum
8 Wires For A 7 Wire Trailer Plug Chevy And Gmc Duramax Diesel Forum from www.johnsontrailerco.com
In order to keep it running at its best, you must properly maintain it by changing the oil and filter, as well as replacing parts that wear out. Ddm fuse, pdm fuse, ecc fuse, aux pwr 2 fuse stud #2 30a trailer wiring Diagrams for the following systems are included. 2003 chevy silverado trailer wiring diagram diagrams data save ungiaggioloincucina it graphic zaafran lush corsa b pasticceriagele 2004 auto build moskitofree 7 pin chevrolet labor cfcarsnoleggio brain component d consorziofiuggiturismo 172c6a2 harness library 2500hd full version hd quality etiwiring angelux headlight method lasuiteclub 2001 for sony car stereo schematics avalanche site line. 2003 chevrolet 2500 trailer wiring. 2003 chevrolet silverado 1500 owner's manual. It reveals the parts of the circuit as streamlined forms, as well as the power and signal connections between the gadgets. Equip cars, trucks & suvs with 2003 chevrolet silverado 2500 hd trailer wire harness and connector from autozone.

We have the best products at the right price.

Expert lifetime technical support on all purchases. Thank you for visiting our website to search 2003 chevy silverado tail light wiring diagram. 2003 audi a4 stereo wiring diagram save 2003 chevrolet silverado wiring diagram autos. It is very often seen at construction sites or towing boats, horse trailers or other heavy pieces of equipment. Silverado trailer wiring diagram wiring diagrams 2003 chevy silverado 2500hd wiring diagram wiring forums seeking info regarding 2003 chevy silverado 2500hd wiring diagram you are right here you may be a specialist that intends to seek referrals or fix. This video demonstrates the chevrolet silverado complete wiring diagrams and details of the wiring harness. It shows the elements of the circuit as streamlined forms, as well as the power as well as signal connections in between the gadgets. Free same day store pickup. Wiring diagram not just gives in depth illustrations of whatever you can do, but also the procedures you should adhere to although performing so. 2004 chevrolet silverado 1500 owner's manual. Used 2003 chevrolet silverado 2500hd lt with 4wd, preferred equipment package, suspension package, keyless entry, fog lights, trailer hitch, leather seats, subwoofer, trailer wiring, alloy wheels, and locking differential A wiring diagram is a simplified conventional photographic representation of an electrical circuit. We have the best products at the right price.

2004 chevrolet silverado 1500 owner's manual. We have the best products at the right price. 2003 chevrolet silverado 1500 owner's manual. The following diagram conforms to the standard agreed upon by vehicle manufacturers and companies producing the trailer connectors. 03 chevy silverado wiring diagram 2003 schematic 2004 2500hd 2500 radio chevrolet full 2006 2002 air conditioner starter 1500 ammeter transmission 2008 power 2007 pinout image 2005 4wd express png fuse box hitch 05 door i need a for my fa14 dn mag fr chev 91 the four wheel drive 1995 seat delphi alternator tow.

2006 Chevy 2500 Radio Wiring Diagram Wiring Diagram Slime Data B Slime Data B Disnar It
2006 Chevy 2500 Radio Wiring Diagram Wiring Diagram Slime Data B Slime Data B Disnar It from mainetreasurechest.com
2003 chevrolet 2500 trailer wiring. Thank you for visiting our website to search 2003 chevy silverado tail light wiring diagram. Free same day store pickup. 2003 chevy silverado trailer wiring diagram diagrams data save ungiaggioloincucina it graphic zaafran lush corsa b pasticceriagele 2004 auto build moskitofree 7 pin chevrolet labor cfcarsnoleggio brain component d consorziofiuggiturismo 172c6a2 harness library 2500hd full version hd quality etiwiring angelux headlight method lasuiteclub 2001 for sony car stereo schematics avalanche site line. Seeking info regarding 2003 chevy silverado 2500hd wiring diagram? It reveals the parts of the circuit as streamlined forms, as well as the power and signal connections between the gadgets. Order chevrolet silverado 2500 hd trailer wire harness and connector online today. Jan 29, 2016 | 2003 chevrolet silverado 2500hd 0 answers why does my 2003 silverado hd engine get hot when i'm backing up,even a small load on my trailer all i know about my truck is that it is a 2500 hd the engine gets hot when i'm backing up with a load, or even an empty trailer.

2003 chevrolet silverado fuse diagram for underhood fuse box.

Wiring diagram not just gives in depth illustrations of whatever you can do, but also the procedures you should adhere to although performing so. Equip cars, trucks & suvs with 2003 chevrolet silverado 2500 hd trailer wire harness and connector from autozone. 2003 audi a4 stereo wiring diagram save 2003 chevrolet silverado wiring diagram autos. We have the best products at the right price. 2003 chevrolet silverado relay block. 2004 chevrolet silverado 1500 owner's manual. 2003 chevrolet 2500 trailer wiring. If you intend to get another reference about 2003 chevy silverado tail light wiring diagram please see more wiring amber you will see it in the gallery below. 2003 chevrolet silverado fuse diagram for underhood fuse box. Variety of 2002 chevy silverado trailer wiring diagram. 2003 chevy silverado trailer wiring diagram. You may be a specialist that intends to seek referrals or fix existing troubles. Diagrams for the following systems are included.

Assortment of 2003 chevy silverado stereo wiring diagram 2003 chevy trailer wiring diagram. Hopefully we provide this can be useful for you.
By